- 加熱爐設備
- 晶體及材料
- 破碎/球磨設備
- 壓片設備
- 輥壓設備
- 切割設備
- 磨拋設備
- 清洗設備
- 電池研發設備
- 薄膜制備
- 配件
- 其它實驗室設備
電池測量裝置
- 關鍵字:
- 帶觀察窗
- 型號:
- EQ-STC-SSI
- 產品概述:
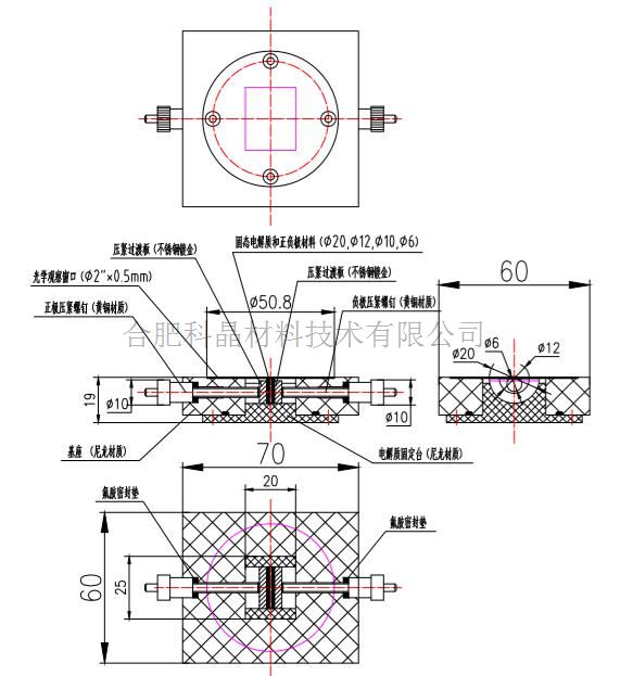
- EQ-STC-SSI是一個小型可拆分原位電池殼體,帶有光學級石英觀察窗口,可通過光學顯微鏡分析固態電池電極的界面,主要是枝晶生長。?兩端用螺釘驅動的兩個小板會將陰極,固體電解質和陽極電極壓在一起。
免責聲明:
本站產品介紹內容(包括產品圖片、產品描述、技術參數等)僅用于宣傳用途,僅供參考。由于更新不及時和網站不可預知的BUG可能會造成數據與實物的偏差,請勿復制或者截圖。如果您對參數有異議,或者想了解產品詳細信息及更多參數,請與本公司銷售人員聯系。本站提供的信息不構成任何要約或承諾,請勿將此參數用于招標文件或者合同,科晶公司會不定期完善和修改網站任何信息,恕不另行通知,請您諒解。
如果您需要下載產品的電子版技術文檔,說明書(在線閱覽),裝箱單,與售后安裝條件等文件,請點擊上方的附件下載模塊中選取。商城產品僅針對大陸地區客戶,購買前請與工作人員溝通,以免給您帶來不便。
技術參數產品視頻實驗案例警示/應用提示配件詳情
| 產品名稱
|
電池測量裝置—EQ-STC-SSI |
| 相關視頻
|

宣傳視頻 操作視頻 |
| 基本構造
|
? 電池殼體由尼龍制成; ? 通過硅膠O形圈密封; ? 兩個壓板由帶金涂層的不銹鋼304制成; ? 兩個用于陰極正極的黃銅壓緊螺釘;

|
| 石英觀察窗口
|
觀察窗口有光學級石英玻璃制成 直徑=φ50.8mm(2″) 厚度=0.5 mm 大部分顯微鏡鏡頭可以接受

|
| 內部結構和尺寸
|
測試電池結構:陰極—固態電解質—陽極 直徑可以是:20mm、12mm、10mm或6mm (定制哪一種尺寸請訂貨前和銷售確定清楚) |
| 示意圖
|

|
| 外形尺寸
|
主體尺寸:長*寬*高=70*60*19.5mm(不含兩端漏出螺釘長度) 兩端漏出螺釘長度:各26mm 
|
| 重量
|
120 g |
| 質保
|
一年質保,終身維護 (不含石英窗口、密封圈等易損件) |
免責聲明:
本站產品介紹內容(包括產品圖片、產品描述、技術參數等)僅用于宣傳用途,僅供參考。由于更新不及時和網站不可預知的BUG可能會造成數據與實物的偏差,請勿復制或者截圖。如果您對參數有異議,或者想了解產品詳細信息及更多參數,請與本公司銷售人員聯系。本站提供的信息不構成任何要約或承諾,請勿將此參數用于招標文件或者合同,科晶公司會不定期完善和修改網站任何信息,恕不另行通知,請您諒解。
如果您需要下載產品的電子版技術文檔,說明書(在線閱覽),裝箱單,與售后安裝條件等文件,請點擊上方的附件下載模塊中選取。商城產品僅針對大陸地區客戶,購買前請與工作人員溝通,以免給您帶來不便。