經典實驗-薄膜/極片-濺射儀鍍膜-機械泵回油檢測報告
發布時間:2020-06-25
實驗名稱: 濺射儀鍍膜-機械泵回油檢測報告
實驗目的:實驗室分別以機械泵、機械泵加冷阱、愛德華分子泵對濺射腔體進行抽真空并濺射金膜,并且每組做兩個樣品進行對比,檢測三種情況下金膜質量。(由客戶反饋科晶實驗室濺射儀做掃描電鏡鍍金效果差,實驗室分別準備了兩組對比試驗與客戶鍍金樣品進行對比,并參考對比結果進行了兩組探究試驗,詳細內容及結論請參考以下:)
實驗設備:磁控濺射儀VTC-16-SM、機械泵TRP-12、氬氣、金靶、冰塊及冷阱、愛德華分子泵。
實驗者:市場部
實驗員:劉叢輝
對比案例①:
薄膜/基底 | 金/鎢 | 金/鎢 |
處理方式 | 腐蝕 | 拋光 |
客戶案例 (SEM表征) | 腐蝕后鍍金,SEM形貌清晰,溝壑清晰 | 拋光后鍍金,SEM形貌清晰,溝壑清晰 |
科晶 實驗室案例 (SEM表征) | 腐蝕后鍍金,SEM形貌模糊,溝壑不清晰 | 拋光后鍍金,SEM形貌模糊,溝壑不清晰 |
對比結論:客戶案例形貌清晰,溝壑明顯,能很清楚觀察到樣品腐蝕或拋光的表明形貌;科晶實驗室案例中腐蝕與拋光形貌都比較模糊,難以分辨。
對比案例②:
所用真空泵 | 機械泵TRP-12 | 機械泵TRP-12加冷阱 | 愛德華分子泵 |
薄膜/基底 | 金/硅 | 金/硅 | 金/硅 |
科晶 實驗室案例
| 球形態邊界模糊 | 邊界略顯清晰,但是仍是“毛邊” | 邊界略顯清晰,但是仍是“毛邊” |
客戶案例
| 球形態邊界清晰可辨 | ||
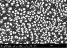
對比結論:客戶所做案例球形態清晰,顆粒與顆粒間分界清晰,實驗室所做三組案例,雖然冷阱(第2組)及干泵(第3組)的效果略比油泵(第1組)效果改善,但是對比客戶的案例仍有很大差距,所以實驗室做了以下對比:三種工況下鍍金金膜質量(濺射儀使用機械泵TRP-12、濺射儀使用機械泵TRP-12加冷阱、濺射儀使用愛德華分子泵):
探究案例①:(科晶實驗室案例)
所用真空泵 | 機械泵TRP-12 | 機械泵TRP-12加冷阱 | 愛德華分子泵 | |||
薄膜/基底 | 金/硅 | 金/硅 | 金/硅 | |||
形貌表征 | 1. | 表面不平整,雜質過多 | 1. | 表面不平整,有雜質 | 1. | 表面不平整 |
2. | 表面不平整,雜質過多 | 2. | 表面不平整,雜質過多 | 2. | 表面不平整,雜質過多 | |
案例①總結:三組6個樣品,從每個樣品上雜質的總數量來看,效果:干泵(第3組)效果>油泵+冷阱(第2組)>油泵(第1組),其中第三組單位面積污點數量最少,膜的平整最好(三組情況金膜顏色不同,為不同濾鏡下觀察,表面形貌表征的金膜顏色與金膜質量無關)
探究案例②:(實驗室案例)
所用真空泵 | 機械泵TRP-12 | 機械泵TRP-12加冷阱 | 愛德華分子泵 | |||
薄膜/基底 | 金/硅 | 金/硅 | 金/硅 | |||
SEM表征 | 1. | 污點肉眼可見,且污點密度大 | 1. | 污點肉眼可見 | 1. | 污點肉眼可以分辨 |
2. | 污點肉眼可見,且污點密度大 | 2. | 污點肉眼可見 | 2. | 污點肉眼可以分辨 | |
案例②總結:從三組6個樣品中看出,干泵(第3組)效果>油泵+冷阱(第2組)>油泵(第1組),其中第三組單位面積污點數量最少,由此看出冷阱對鍍膜的效果改善比較的明顯,干泵鍍膜質量最好。
實驗總結:結合案例①結論、案例②結論綜合判定,冷阱、干泵方案均可提升鍍膜質量,且干泵提升膜質量效果最為明顯。
